Porovnat
Uživatelské menu

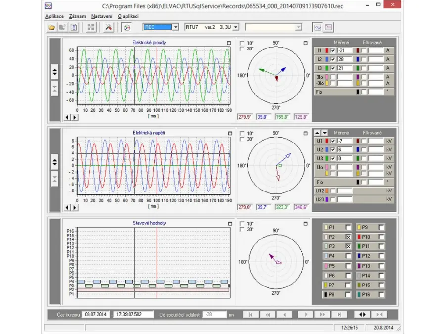
SW- Grafický prohlížeč záznamů

SW prohlížeč poruchových záznamů z RTU jednotek

Zboží je pouze na objednávku
Jednotka:ks
Kód 1:802012551020
Záruka:24
Záruka pro firmy: 24
Značka:ELVAC

Popis

SW prohlížeč poruchových záznamů z RTU jednotek

Technická specifikace

Hodnocení

Produkt jste již hodnotil

Zboží bylo vloženo do hromadné poptávky

{common::4::askForPriceAddError}

Dotaz na cenu

Zajímám se o cenu a dostupnost tohoto produktu.

Souhlas se zpracováním osobních údajů je povinné pole

Poptávku na cenu se nepodařilo odeslat
Poptávka na cenu byla odeslaná
Přihlášení do newsletteru proběhlo úspěšně.
Něco se nepovedlo, kontaktujte nás

Košík obsahuje nepovolené položky

Košík je prázdný

Zobrazit košík

Zboží bylo přidáno do porovnání

Prosím čekejte...
Objednávku nelze dokončit, zkuste to prosím později
Chyba při vložení do košíku
Nepovolená kombinace - košík obsahuje dárek z věrnostního programu, který je možné uplatnit pouze v samostatné objednávce.
Chyba při odebrání z košíku
Dárek lze uplatnit pouze v samostatné objednávce.
Dárek lze uplatnit pouze s nákupem alespoň jedné položky.
Máte blokované čerpání bodů
Chyba při vložení dárku do košíku
Pro vložení do košíku nemáte dostateční počet bodů
Dárek není skladem

Hlídání zboží bylo úspešně nastaveno. Budeme vás informovat emailem.

Požadavek nemůže být odeslán. Zkuste to znovu později